Mumbai
08048034936
+919830588398

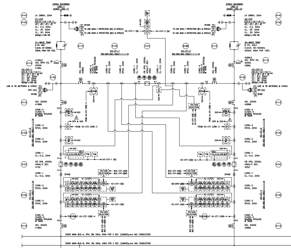
Protection and Metering single line diagram drawin...

Protection and Metering single line diagram drawing of an EHV substation shows the secondary connection of Current Transformers and Potential Transformers to Electrical protection relays (numerical or conventional) and Measuring instruments for the purpose of protecting the EHV circuits from abnormal fault situations and to measure the status various vectors like current, voltage, frequency etc. at various nodes of the EHV system. Present day trend is to use numerical relays for various protection functions such as Line distance protection, Differential protection, Overcurrent protection etc. and to use digital multifunction meters for measurement of vectors. Satcon has gained expertise in preparing Protection and Metering single line diagrams for Substations upto 400kV voltage level. Our Sr. engineers have submitted similar SLD s for many Substation projects in various countries. These are in successful operation since commissioning.
 2021-03-14T11:08:56

Keywords